Foto z otevřených zdrojů
Ruským vědcům se podařilo vytvořit porézní plasty a sůl materiál napodobující strukturu kosti. V tomto případě se jedná o obvyklou kuchařku sůl se stala hlavním excipientem.
Polyetylén s velmi vysokou molekulovou hmotností již má široké použití v umělých kloubech, jakož i v keramice a kov Tento typ plastu má vysokou pevnost a hustotu, a co je nejdůležitější – zcela bezpečné pro lidské tkáně. Tyto materiální vlastnosti jsou ideální pro vytvoření umělé kosti.
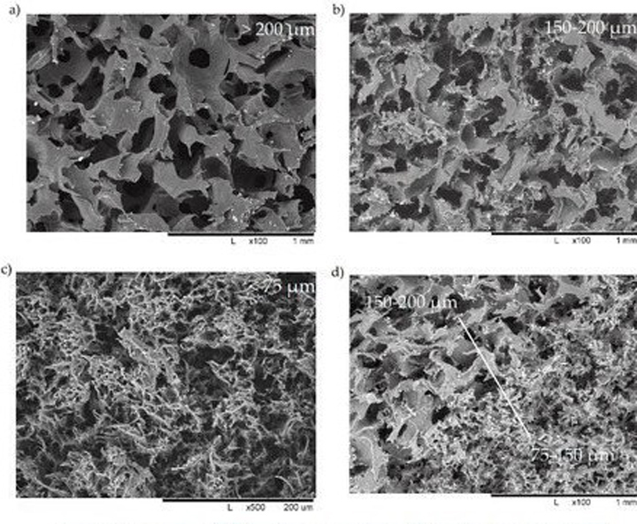
Dříve byl hlavním problémem jejich tvorby nedostatek pórovitost. Je nezbytné, aby kosti pohybovaly kostními buňkami a klíčení krevních cév, ale vytváření složitých struktur uvnitř umělé kosti nebylo tak jednoduché. Pro hromadný tisk plast zůstává po dlouhou dobu viskózní.
Foto z otevřených zdrojů
Tento problém jsme dokázali vyřešit díky neobvyklé technologii, navrhli vědci NITU MISiS. V době výroby kosti polymer je smíchán s běžnou stolní solí a poté solidifikační sůl se promyje vodou. Ve vytvořeném produktu zůstávají póry správná velikost.
Materiál byl testován na pevnost při specifických zatíženích. a byl také vyšetřen pomocí mikroskopu. Mechanické vlastnosti produkty se však ukázaly stejné bez ohledu na velikost pórů materiál se stal méně odolným než skutečná kost. Na další fáze výzkumu bude hledat kombinaci materiálů vytvořit umělou kost s potřebnými parametry.
ESOREITER předtím mluvil o kosti v koleni, která byla zvažována mizí během evoluce základním orgánem.
Andrey Vetrov
Plastový čas
